

遠隔操作対応VSS(電圧感応式)バッテリースイッチ
¥ 12,430 ~ ¥ 76,560 税込
商品コード:552791
~ 552797
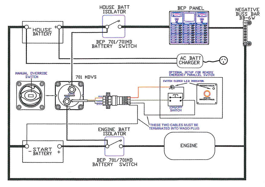
遠隔操作対応に加え自動的に2台のバッテリーを並列接続させるバッテリースイッチが誕生しました。
(1) VSS(電圧感応式)ミニバッテリースイッチ No.701- MDVS
・接続電圧 DC15Vまで ・連続耐電流 275A ・瞬間耐電流 455A
・瞬間最大耐電流 1250A(10秒) サイズ:69×69×H100.3mm
(2) VSS(電圧感応式)ヘビーデューティバッテリースイッチ No.720 - MDVS
・接続電圧 DC15Vまで ・連続耐電流 500A ・瞬間耐電流 700A
・瞬間最大耐電流 2500A(10秒)サイズ:102×102×H109.5mm
仕様はそれぞれ701MD、720MDと同じです。
(3) リモートスイッチ(VSS専用) No.80-724-0007
サイズ: 56×56×厚さ32.0×深さ28.0mm





